The Daily Insight
news /

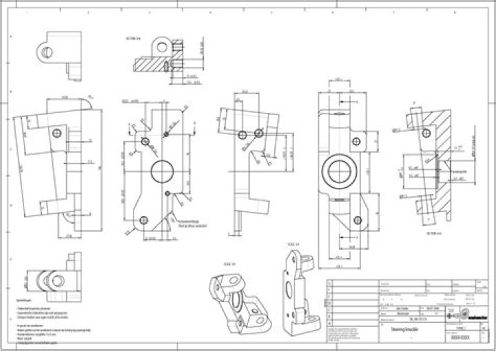
What is technical drawing in engineering?

An engineering drawing is a type of technical drawing used to define the requirements for engineering products or components. It may also describe the process of making the item, may be used to convey engineering ideas during the design process, or may provide a record of an existing item.

.

Hereof, why is technical drawing important to engineers?

Technical drawings allow engineers to create designs, calculate forces and stresses on structures, and work with manufacturers. The ability to understand and work with technical drawings will not make someone a good engineer, but it is a necessary skill on the way to becoming adept in the profession.

Similarly, what are technical drawings called? Technical drawing, also known as drafting or draughting, is the act and discipline of composing plans that visually communicate how something functions or has to be constructed. Drafting is the visual language of industry and engineering. A drafter, draftsperson, or draughtsman is a person who makes a drawing.

Subsequently, one may also ask, what is the use of technical drawing?

Technical drawings (both hand drawn and made in CAD software) are used for communication between people involved in design and manufacturing process of some kind of device/construction. They can also be used to show customers the dimensions of a product.

What are the 2 types of drawing?

Different Kinds of Drawing

  • Illustration Drawing. These are drawings that are created to represent the lay-out of a particular document.
  • Life Drawing. Drawings that result from direct or real observations are life drawings.
  • Emotive Drawing.
  • Analytic Drawing.
  • Perspective Drawing.
  • Diagrammatic Drawing.
  • Geometric Drawing.
Related Question Answers

What are the 4 basic components of an engineering drawing?

The main purpose of engineering drawings is to communicate to other engineers, machinists, etc.

Dimensions have four basic components:

  • Dimension Text.
  • Dimension Line andArrows.
  • Extension Lines.
  • Gap.

What are the types of engineering drawings?

These are the most basic and the foundation of Engineering drawing.
  • Isometric Drawing.
  • Orthographic or Multiview Drawings.
  • Dimensioning.
  • Sectioning.
  • Drawing Tools.
  • Assembly Drawings.
  • Cross-Sectional Views.
  • Half-Sections.

What is basic technical drawing?

Technical drawing, drafting or drawing, is the act and discipline of composing drawings that visually communicate how something functions or is constructed.

Who invented technical drawing?

The history of technical drawing began in principle in the 15th Century after Christ. Today's best-known representative was Leonardo da Vinci, his many inventions (including a chain of links, war machines, Flugaparate etc.) in many (technical) drawings stated.

What is a technical sketch?

A technical sketch is a sketch that displays dimensions and should display the different parts of the subject. An artistic sketch, on the other hand, is the aesthetic drawing; just showing the object's looks, but still uses some sort of proportioning and ratio.

What is technical drawing in fashion?

Technical drawings are flat, detailed sketches of just the garment, with all of the details, topstitching and trims correct. It is fashion's equivalent of an architectural blueprint.

What is 2d technical drawing?

Technical drafting is represented in 2D and 3D, but the representation is in most cases created in 2D. 2D technical drawing is a type of CAD system used to produce technical drawings. This system replaced the discipline of paper drawing.

What is first angle projection?

First angle projection is a method of creating a 2D drawing of a 3D object. It is mainly used in Europe and Asia and has not been officially used in Australia for many years. In Australia, third angle projection is the preferred method of orthographic projection. Note the symbol for first angle orthographic projection.

What is Section drawing?

Section drawing. A 'section drawing', 'section' or 'sectional drawing' shows a view of a structure as though it had been sliced in half or cut along another imaginary plane. Plan drawings are in fact a type of section, but they cut through the building on a horizontal rather than vertical plane.

What is the meaning of isometric drawing?

A pictorial representation of an object in which all three dimensions are drawn at full scale rather than foreshortening them to the true projection. An isometric drawing looks like an isometric projection but all its lines parallel to the three major axes are measurable.

What is isometric view in engineering drawing?

Isometric projection is a method for visually representing three-dimensional objects in two dimensions in technical and engineering drawings. It is an axonometric projection in which the three coordinate axes appear equally foreshortened and the angle between any two of them is 120 degrees.

What is a plan view drawing?

A plan view is an orthographic projection of a 3-dimensional object from the position of a horizontal plane through the object. In other words, a plan is a section viewed from the top. In such views, the portion of the object above the plane is omitted to reveal what lies beyond.